Relais und Blinkgeber

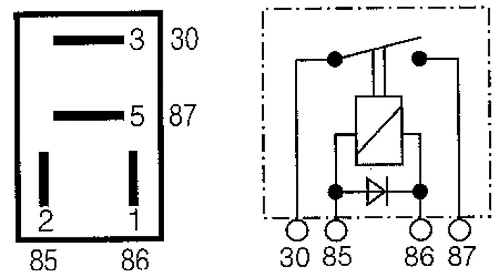
Mahle Mini-Relais mit Diode 12V 40A RLP5/12D - Hischier Auto AG

Mini Schliesserrelais 6/12/24V

Mini Wechslerrelais 6/12/24/48V

MICRO Schliesser 12/24V

Micro Wechslerrelais 12/24V

Ultra-Micro Relais (US/JP)

MINI Hochleistung 12/24V

FlipFlop-Schritt-Relais

Zeit Relais

Intervallrelais

Spezialrelais

Halbleiter-Relais (SSR) 24 V 40 A SSR250 - Hischier Auto AG

Halbleiter-Relais (SSR)

Relaishalter- und sockel

Steuerungen

Fernbedienungen

Blinkgeber 6V

Blinkgeber 12V

Blinkgeber 24V

LED-Blinkgeber 6 - 24V

Modulares Sicherungssystem

Dioden + Gleichrichter

© 2025 Hischier Auto AG, Staufen (Aargau)

    • Apple Pay
    • Google Pay
    • Mastercard
    • Twint

    Anmeldung

    Haben Sie Ihr Passwort vergessen?

    Sie haben noch kein Konto?
    Konto erstellen

    Powered by Omni Themes